兼松サステック株式会社

お問い合わせ

TEL

03-6631-6561

平日 / 9:00 - 17:00

施工実績 case

兼松サステック株式会社 地盤改良工事 ホーム > 施工実績 > 【WILL工法】北海道 ニセコHリゾート建設工事 A2、A3
/ WILL工法

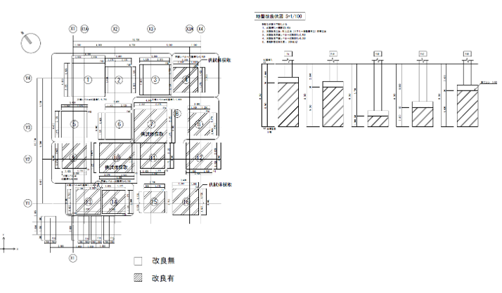
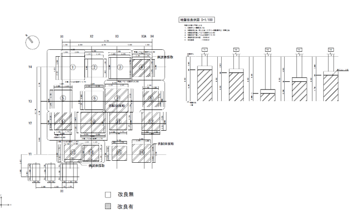
【WILL工法】北海道 ニセコHリゾート建設工事 A2、A3

カテゴリ WILL工法
施工年度 2025年度
改良目的 支持力の増大
工事件名 ニセコHリゾート建設工事 A2、A3
工事場所 北海道倶知安町
施工土量(㎥) 926.8m3
一覧へ戻る

お問い合わせ

TEL

03-6631-6561

平日 / 9:00 - 17:00

休業日:土・日・祝担当:非住宅営業戦略室

FAX 03-6631-6569

  • 兼松サステック株式会社
お探しものは何ですか?